National Enquiry Hotline:
13531822098
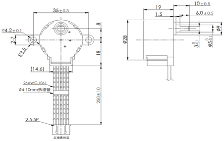
Zhne Electronics ltd

| Model |
Rated Voltage (DCV) |
ResistanceΩ /Phace (at25℃) |
MaxFreeload Pull-in Frequency (PPS) |
MaxFreeload Pull-out Frequency (PPS) |
Pull-in Torque (mN.m) |
Operation Frequency (PPS) |
Detent Frequency (PPS) |
Tempera-turePise (K) |
Noise (dB) |
StepAngle (1-2phase) |
Insulation Class |
| 28BYJ48 | 12 | 200 | ≥500 | ≥900 | ≥44 | 100 | ≥29.4 | ≤40 | ≤35 | 5.625/64 | E |
| 28BYJ48 | 5 | 21 | ≥500 | ≥900 | ≥29.4 | 100 | ≥29.4 | ≤40 | ≤35 | 5.625/64 | E |