National Enquiry Hotline:
13531822098
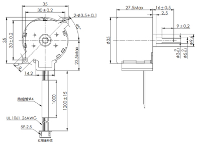
Zhne Electronics ltd

| Model |
Rated Voltage (DCV) |
Resistance Ω / Phace (at25℃) |
Max Freeload Pull-in Frequency (PPS) |
Max Freeload Pull-out Frequency (PPS) |
Pull-in Torque (mN.m) |
Operation Frequency (PPS) |
Detent Frequency (PPS) |
Tempera -turePise (K) |
Noise (dB) |
Step Angle (1-2 phase) |
Insulation Class |
| 35BYJ412 | 12 | 50 | ≥350 | ≥800 | ≥147 | 100 | ≥68.8 | ≤60 | ≤40 | 3.75/42.5 | E |